Obliczanie powierzchni użytkowej mieszkania to kluczowy krok, który pozwala zrozumieć, ile przestrzeni można efektywnie wykorzystać w codziennym życiu. Powierzchnia użytkowa obejmuje wszystkie pomieszczenia przeznaczone do użytku mieszkalnego, takie jak pokoje, kuchnia, czy łazienka. Warto jednak pamiętać, że nie wszystkie metry kwadratowe są równe – powierzchnia użytkowa jest zazwyczaj mniejsza niż całkowita, ponieważ nie uwzględnia grubości ścian ani przestrzeni, które nie są dostępne do codziennego użytku.
Obliczanie tej powierzchni może być skomplikowane, zwłaszcza w przypadku mieszkań o nietypowych układach czy skosach. W artykule omówimy zasady, które pomogą w precyzyjnym pomiarze, a także zwrócimy uwagę na najczęstsze błędy, które mogą wpłynąć na końcowy wynik. Dzięki temu, każdy, kto planuje zakup lub sprzedaż mieszkania, będzie miał szansę uniknąć nieprzyjemnych niespodzianek.
Kluczowe informacje:
- Powierzchnia użytkowa to przestrzeń, którą można wykorzystać w codziennym życiu.
- W skład powierzchni użytkowej wchodzą pokoje, kuchnia, łazienka oraz korytarze.
- Powierzchnie pod skosami są obliczane według określonych zasad, które mogą się różnić w zależności od norm.
- Klatki schodowe nie są wliczane do powierzchni mieszkalnej, ale do powierzchni użytkowej budynku.
- Balkony i tarasy nie są częścią powierzchni użytkowej, ale mogą być wymieniane w dokumentacji sprzedaży.
- W przypadku trudności w pomiarach warto skorzystać z pomocy specjalisty.
Jak obliczyć powierzchnię użytkową mieszkania krok po kroku
Obliczanie powierzchni użytkowej mieszkania jest kluczowym krokiem, aby zrozumieć, ile przestrzeni można efektywnie wykorzystać w codziennym życiu. Powierzchnia użytkowa obejmuje wszystkie pomieszczenia, które są przeznaczone do użytku mieszkalnego, takie jak pokoje, kuchnia, łazienka, a także przedpokój czy garderoba. Dlatego tak ważne jest, aby mieć jasność co do tego, co wlicza się w tę powierzchnię, ponieważ ma to bezpośredni wpływ na wartość nieruchomości.
Aby prawidłowo obliczyć powierzchnię użytkową, należy zsumować metraże wszystkich tych pomieszczeń. Warto pamiętać, że powierzchnia użytkowa jest zazwyczaj mniejsza niż całkowita, ponieważ nie uwzględnia grubości ścian ani przestrzeni, które nie są dostępne do codziennego użytku. Kluczowe jest również to, aby notować metraż rozpisany na poszczególne pomieszczenia oraz zaznaczyć cel pomiaru, co pomoże uniknąć nieporozumień w przyszłości.
Zrozumienie definicji powierzchni użytkowej i jej znaczenia
Powierzchnia użytkowa to przestrzeń, którą można faktycznie wykorzystać do mieszkania. Obejmuje ona wszystkie pomieszczenia, które są przeznaczone do codziennego użytku, co czyni ją niezwykle istotną w kontekście transakcji nieruchomości. Dla kupujących i sprzedających, znajomość dokładnej powierzchni użytkowej jest kluczowa, ponieważ wpływa na decyzje dotyczące zakupu oraz wyceny nieruchomości.
Warto zauważyć, że różne normy mogą wpływać na to, jak powierzchnia użytkowa jest obliczana. Dlatego, aby uniknąć nieporozumień, zawsze warto zapoznać się z definicjami oraz zasadami, które mogą się różnić w zależności od regionu czy przepisów prawnych. Znalezienie rzetelnych informacji na ten temat jest kluczowe dla każdej osoby, która planuje zakup lub sprzedaż mieszkania.
- Powierzchnia użytkowa obejmuje wszystkie pomieszczenia mieszkalne, które można wykorzystać w codziennym życiu.
- Wartości te są kluczowe dla określenia wartości nieruchomości na rynku.
- W przypadku skomplikowanych układów mieszkań, warto skorzystać z pomocy specjalisty.
| Pomieszczenie | Średnia powierzchnia (m²) |
| Pokój dzienny | 20-30 |
| Kuchnia | 10-15 |
| Łazienka | 5-8 |
| Przedpokój | 5-10 |
Jakie pomieszczenia wliczają się do powierzchni użytkowej?
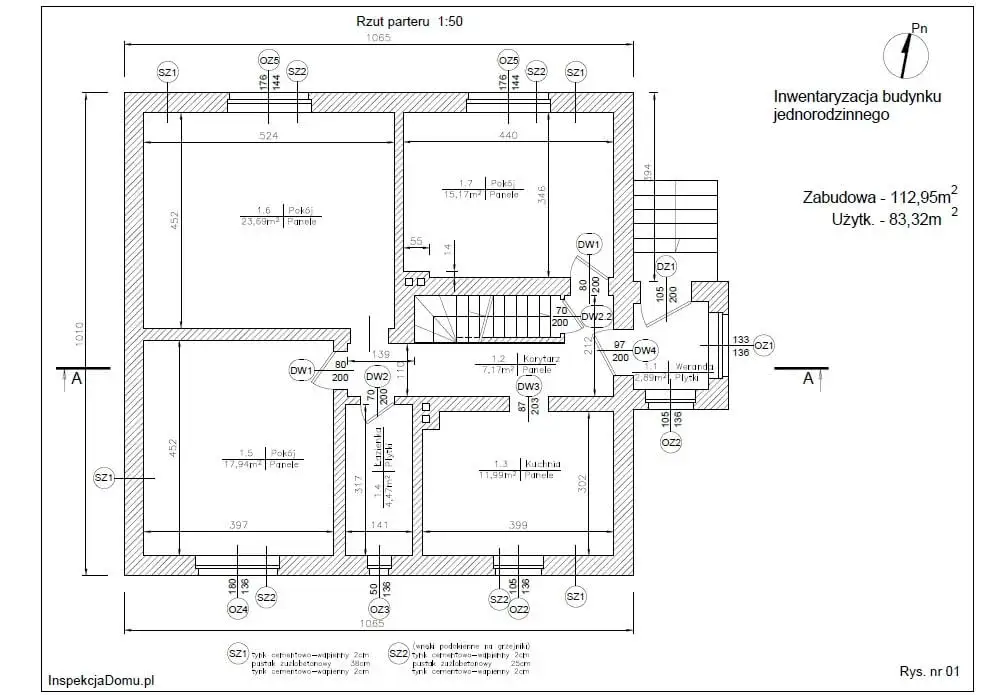
Obliczając powierzchnię użytkową mieszkania, należy uwzględnić wszystkie pomieszczenia, które są przeznaczone do użytku mieszkalnego. W skład tej powierzchni wchodzą m.in. pokoje, kuchnia, łazienka, przedpokój, a także garderoba oraz spiżarnia. Każde z tych pomieszczeń ma swoje znaczenie, a ich metraż wpływa na całkowitą powierzchnię użytkową, którą można wykorzystać w codziennym życiu.
Warto również pamiętać, że do powierzchni użytkowej zalicza się korytarze i hale, które pełnią funkcję komunikacyjną w obrębie mieszkania. Powierzchnia użytkowa nie obejmuje natomiast takich przestrzeni jak balkony, tarasy czy loggie, które mogą być podawane oddzielnie w dokumentacji sprzedaży, ale nie są wliczane do powierzchni mieszkalnej.
| Typ pomieszczenia | Kryteria wliczania do powierzchni użytkowej |
| Pokój dzienny | Wliczany w całości |
| Kuchnia | Wliczana w całości |
| Łazienka | Wliczana w całości |
| Przedpokój | Wliczany w całości |
| Garderoba | Wliczana w całości |
| Spiżarnia | Wliczana w całości |
| Korytarze | Wliczane w całości |
| Balkon | Nie wliczany |
| Taras | Nie wliczany |
Różnice między normami PN-70/B-02365 a PN-ISO 9836:2015
Normy PN-70/B-02365 oraz PN-ISO 9836:2015 to dwa kluczowe dokumenty, które regulują sposób obliczania powierzchni użytkowej mieszkania. Główna różnica między nimi dotyczy sposobu, w jaki traktowane są skosy. Zgodnie z normą PN-70/B-02365, powierzchnia pod skosami o wysokości poniżej 1,40 m nie jest wliczana do powierzchni użytkowej, natomiast w normie PN-ISO 9836:2015, powierzchnia pod skosami o wysokości powyżej 1,90 m jest uwzględniana w całości, co może znacząco wpłynąć na końcowy wynik obliczeń.
Inną istotną różnicą jest podejście do pomiarów przestrzeni pomocniczej. W normie PN-70/B-02365, przestrzenie pomocnicze są traktowane inaczej niż w PN-ISO 9836:2015, co może prowadzić do różnych wyników w obliczeniach. Użytkownicy powinni być świadomi tych różnic, ponieważ mogą one wpływać na wartość nieruchomości oraz na decyzje związane z jej zakupem lub sprzedażą.
Jak obliczać powierzchnię pod skosami i nietypowymi bryłami
Obliczanie powierzchni użytkowej w pomieszczeniach o skosach lub nietypowych kształtach wymaga zastosowania określonych zasad. W przypadku skosów o wysokości poniżej 1,40 m, ta powierzchnia nie jest wliczana do obliczeń. Dla skosów o wysokości od 1,40 m do 2,20 m, liczy się ją w połowie, a przy wysokości powyżej 2,20 m, pełna powierzchnia jest uwzględniana. To podejście pozwala na bardziej precyzyjne określenie, ile przestrzeni można rzeczywiście wykorzystać.
W przypadku nietypowych brył budynku, istotne jest, aby dokładnie zmierzyć wszystkie dostępne przestrzenie i zastosować odpowiednie zasady obliczeniowe. Użytkownicy powinni zwracać uwagę na to, jak różne kształty pomieszczeń mogą wpłynąć na końcowy wynik obliczeń, co jest szczególnie ważne w przypadku mieszkań o skomplikowanych układach.

Częste błędy przy pomiarze powierzchni użytkowej mieszkań
Podczas pomiaru powierzchni użytkowej mieszkania występuje wiele typowych błędów, które mogą prowadzić do nieprawidłowych wyników. Jednym z najczęstszych jest nieuwzględnienie grubości ścian, co może zafałszować obliczenia. Innym błędem jest pomijanie pomieszczeń, które powinny być wliczone do powierzchni użytkowej, takich jak korytarze czy garderoby. Warto również zwrócić uwagę na błędne pomiary skosów, które mogą znacząco wpłynąć na ostateczny wynik.
Wiele osób popełnia także błąd, nie notując dokładnie wyników pomiarów, co utrudnia późniejsze obliczenia. Nieprawidłowe użycie narzędzi pomiarowych, takich jak taśmy czy laserowe dalmierze, również może prowadzić do nieścisłości. Ważne jest, aby być świadomym tych pułapek, aby uniknąć problemów związanych z obliczaniem powierzchni użytkowej.
- Nie uwzględnienie grubości ścian - prowadzi do zawyżonej powierzchni.
- Pominięcie pomieszczeń takich jak korytarze - skutkuje niepełnym wynikiem.
- Błędne pomiary skosów - mogą zaniżyć powierzchnię użytkową.
- Nieodpowiednie notowanie wyników - utrudnia dalsze obliczenia.
- Nieprawidłowe użycie narzędzi pomiarowych - prowadzi do nieścisłości pomiarów.
Jak unikać najczęstszych pułapek w pomiarach
Aby skutecznie unikać błędów przy pomiarze powierzchni użytkowej, warto zastosować kilka praktycznych strategii. Po pierwsze, zawsze należy dokładnie notować wyniki pomiarów oraz uwzględniać wszystkie pomieszczenia, które powinny być wliczone do powierzchni użytkowej. Dobrym pomysłem jest użycie profesjonalnych narzędzi pomiarowych, takich jak laserowe dalmierze, które zapewniają większą precyzję. Ponadto, przed przystąpieniem do pomiarów, warto zapoznać się z zasadami dotyczącymi obliczeń, aby uniknąć nieporozumień. Na koniec, w przypadku wątpliwości, dobrze jest skonsultować się z ekspertem, który pomoże w prawidłowym przeprowadzeniu pomiarów.
Kiedy warto skorzystać z pomocy specjalisty w pomiarach
W sytuacjach, gdy obliczanie powierzchni użytkowej mieszkania staje się skomplikowane, warto rozważyć skorzystanie z pomocy specjalisty. Dotyczy to szczególnie mieszkań o nietypowych kształtach, skosach lub w przypadku, gdy konieczne jest uwzględnienie wielu pomieszczeń. Ekspert ma doświadczenie w dokładnym pomiarze i znajomość aktualnych norm, co może zapobiec błędom, które mogłyby wpłynąć na wartość nieruchomości.
Ponadto, jeśli planujesz sprzedaż lub zakup mieszkania, profesjonalne pomiary mogą zwiększyć wiarygodność prezentowanych danych. Warto również skorzystać z usług specjalisty, gdy nie masz pewności co do metod pomiarowych lub gdy nieruchomość jest złożona, na przykład w przypadku mieszkań dwupoziomowych. Dzięki temu masz pewność, że obliczenia są dokładne, a Ty unikasz potencjalnych problemów w przyszłości.
Jak technologia zmienia sposób pomiaru powierzchni użytkowej
W dobie nowoczesnych technologii, pomiar powierzchni użytkowej mieszkań zyskuje nowe narzędzia i metody, które mogą znacząco uprościć ten proces. Wykorzystanie skanowania 3D oraz aplikacji mobilnych do pomiarów pozwala na uzyskanie dokładnych wyników w krótszym czasie. Dzięki tym technologiom, użytkownicy mogą samodzielnie dokonywać pomiarów, a następnie generować szczegółowe raporty, które uwzględniają wszystkie istotne aspekty, takie jak skosy czy nietypowe kształty pomieszczeń.
W przyszłości możemy spodziewać się dalszego rozwoju takich narzędzi, co może prowadzić do jeszcze większej precyzji w obliczeniach. Inteligentne algorytmy będą w stanie analizować zebrane dane, sugerując optymalne rozwiązania dotyczące aranżacji przestrzeni czy wykorzystania dostępnej powierzchni. To nie tylko ułatwi proces pomiaru, ale również pomoże w podejmowaniu lepszych decyzji dotyczących zakupu lub sprzedaży nieruchomości.
